
| Input輸入特性 | |||
|---|---|---|---|
| 輸入電壓範圍 | 輸入浪湧電壓(<100ms) | 輸入啓動閥值 | 欠壓關斷閥值 |
| 160(100~200Vdc) | 250Vdc | 90Vdc,typ | 80Vdc,typ |
| 270(200~400Vdc) | 450Vdc | 190Vdc,typ | 180Vdc,typ |
| 400(300~450Vdc) | 500Vdc | 290Vdc,typ | 280Vdc,typ |
| 500(400~650Vdc) | 680Vdc | 540Vdc,typ | 520Vdc,typ |
| 使能端(開/關)控制 | 正/負邏輯 |
| Vaux電壓 | 8/10/12Vdc,typ. |
| Vaux電流 | 10mA,typ. |
| 正邏輯-開 | 2.5~10Vdc |
| 負邏輯-開 | -0.5~0.2Vdc或懸空 |
| Output輸出特性 | |
|---|---|
| 輸出電壓精度 | ±1%,max. |
| 輸出功率 | 400~1200W |
| 輸出電壓調節範圍 | -20%~+10%typ. |
| 輸出過壓保護 | 120%Vout,typ. |
| 源效應(電壓調整率) | ±0.3%,typ. |
| 負載效應(負載調整率) | ±0.3%,typ. |
| 瞬态響應 50%-75%-50% | ±0.3%,typ. |
| 紋波&噪音 | <1%Vout |
| 過載保護 | 120%額定負載,typ. |
| 短路保護 | 打嗝模式 |
| 短路恢複 | 自恢複 |
| General 一般特性 | |
|---|---|
| 隔離電壓 | |
| 輸入與輸出 | 1500Vdc/min. |
| 輸入與外殼 | 1500Vdc/min. |
| 輸出與外殼 | 500Vdc/min. |
| 絕緣電阻(輸入與輸出) | 100MΩ/min. |
| 絕緣電容(輸入與輸出) | 1000PF,typ. |
| 重量 | 275g,typ. |
| 儲存溫度 | -55℃~+125℃ |
| 開關頻率 | 180KHZ,typ. |
| 效率 | 94%,typ. |
| 溫度系數 | ±0.02%/℃ |
| 相對濕度(無結露) | 95% R.H. |
| 過溫保護 | 105℃,typ. |
| 過溫恢複 | 95℃,typ. |

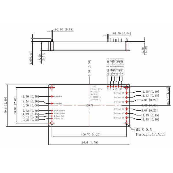
| 引腳 | 命名 | 引腳 | 命名 |
|---|---|---|---|
| 1 | Sync-In | 10 | Trim |
| 2 | Sync-Out | 11 | Sense+ |
| 3 | Enable+ | 12 | Sense- |
| 4 | Enable- | 13 | Vout- |
| 5 | Vin+ | 14 | Vout- |
| 6 | Vin- | 15 | Vout- |
| 7 | Vaux | 16 | Vout+ |
| 8 | Start Sync | 17 | Vout+ |
| 9 | I Share | 18 | Vout+ |
注意:
1. 所有尺寸标注單位爲毫米(英寸)。
2.引腳5-6、13-18直徑2.00mm. (0.08in.) 。
3.引腳1-4、7-12直徑1.00mm. (0.04in.) 。
4.公差:x.x 士0.5mm (x.xx 土0.02in.) 。
x.xx 士0.25mm (x.xx 士0.01in. ) 。
| 模塊型号 | 輸入電壓(Vdc) | 輸出電壓(Vdc) | 輸出電流(A) | 輸出紋波 (峰-峰值) | 效率(典型) |
| SM160600H28S | 160(100~200Vdc) | 28 | 21.4 | <280mV | 92% |
| SM270400H05S | 270(200~400Vdc) | 5 | 80.0 | <300mV | 92% |
| SM270450H6R5S | 6.5 | 69.2 | <300mV | 92% | |
| SM270700H09S | 9 | 77.8 | <300mV | 92% | |
| SM270800H12S | 12 | 66.7 | <220mV | 93% | |
| SM2701K2H12S | 12 | 100 | <300mV | 95% | |
| SM2701KH24S | 24 | 41.7 | <240mV | 93% | |
| SM2701K2H28S | 28 | 42.8 | <300mV | 94% | |
| SM270800H36S | 36 | 22.2 | <360mV | 94% | |
| SM2701KH48S | 48 | 20.8 | <300mV | 93% | |
| SM400400H05S | 400(300~450Vdc) | 5 | 80.0 | <200mV | 92% |
| SM400800H28S | 28 | 28.6 | <280mV | 92% | |
| SM400800H48S | 48 | 16.7 | <300mV | 92% | |
| *SM6001K2H28SN | 600(400~800Vdc) | 28 | 42.8 | <600mV | 93% |