
| Input輸入特性 | |||
|---|---|---|---|
| 輸入電壓範圍 | 輸入浪湧電壓(<100ms) | 輸入啓動閥值 | 欠壓關斷閥值 |
| 115(85~138Vac) | 170V | 83Vac,typ | 73Vac,typ |
| 220(176~264Vac) | 276V | 165Vac,typ | 155Vac,typ |
| 115W(85~264Vac) | 276V | 83Vac,typ | 73Vac,typ |
| Output輸出特性 | |
|---|---|
| 輸出電壓精度 | ±2%,typ. |
| 輸出功率 | 400~800W |
| 輸出過壓保護 | 110%Vout,typ. |
| 源效應(電壓調整率) | ±0.5%,typ. |
| 負載效應(負載調整率) | ±0.2%,typ. |
| 瞬态響應 50%-75%-50% | 3%Vout,typ. |
| 紋波&噪音 | 5%Vout |
| 過載保護 | 120%額定負載,typ. |
| General 一般特性 | |
|---|---|
| 隔離電壓 | |
| 輸入與外殼 | 1500Vac/min. |
| 輸出與外殼 | 1500Vac/min. |
| 重量 | 135g,typ. |
| 儲存溫度 | -55℃~+125℃ |
| 開關頻率 | 190KHz,typ. |
| 效率 | 94%,typ. |
| 溫度系數 | ±0.02%/℃ |
| 相對濕度(無結露) | 95% R.H. |
| 過溫保護 | 105℃,typ. |
| 過溫恢複 | 95℃,typ. |

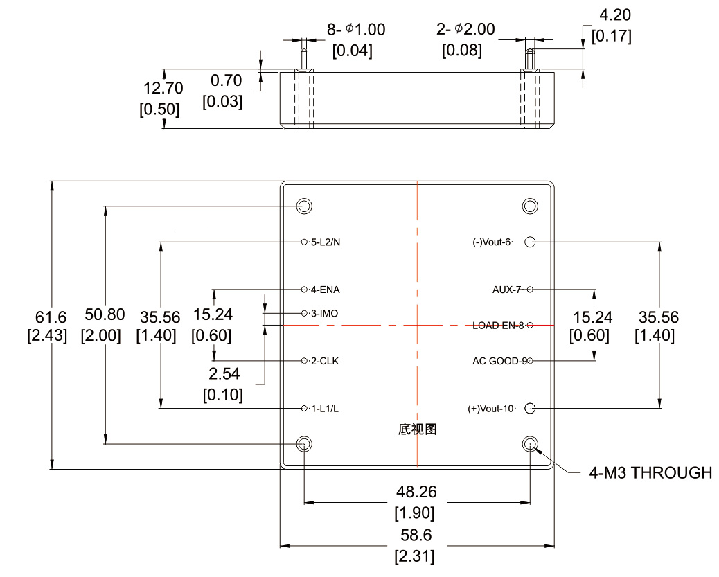
| 引腳A定義 | |||
|---|---|---|---|
| 引腳 | 命名 | 引腳 | 命名 |
| 1 | L | 6 | Vout- |
| 2 | CLK | 7 | AUX |
| 3 | IMO | 8 | LOAD EN |
| 4 | ENA | 9 | AC GOOD |
| 5 | N | 10 | Vout+ |
注意:
1. 所有尺寸标注單位爲毫米(英寸)。
2. 引腳1-5、7-9直徑1.02mm.(0.04in.) 。
3. 引腳6、10直徑2.03mm.(0.08in.) 。
4. 公差:x.x±0.4mm(x.xx±0.02in.)
x.xx±0.25mm(x.xx±0.01in.)。
| 模塊型号 | 輸入電壓(Vac) | 輸出電壓(Vdc) | 輸出電流(A) | 效率(典型) |
| SP115400H300SNN | 115(85~138Vac) | 300 | 1.33 | 92% |
| SP220800H380SNN | 220(176~264Vac) | 380 | 2.10 | 94% |
| SP115W400H380SNN | 115W(85~264Vac) | 380 | 1.05 | 92% |